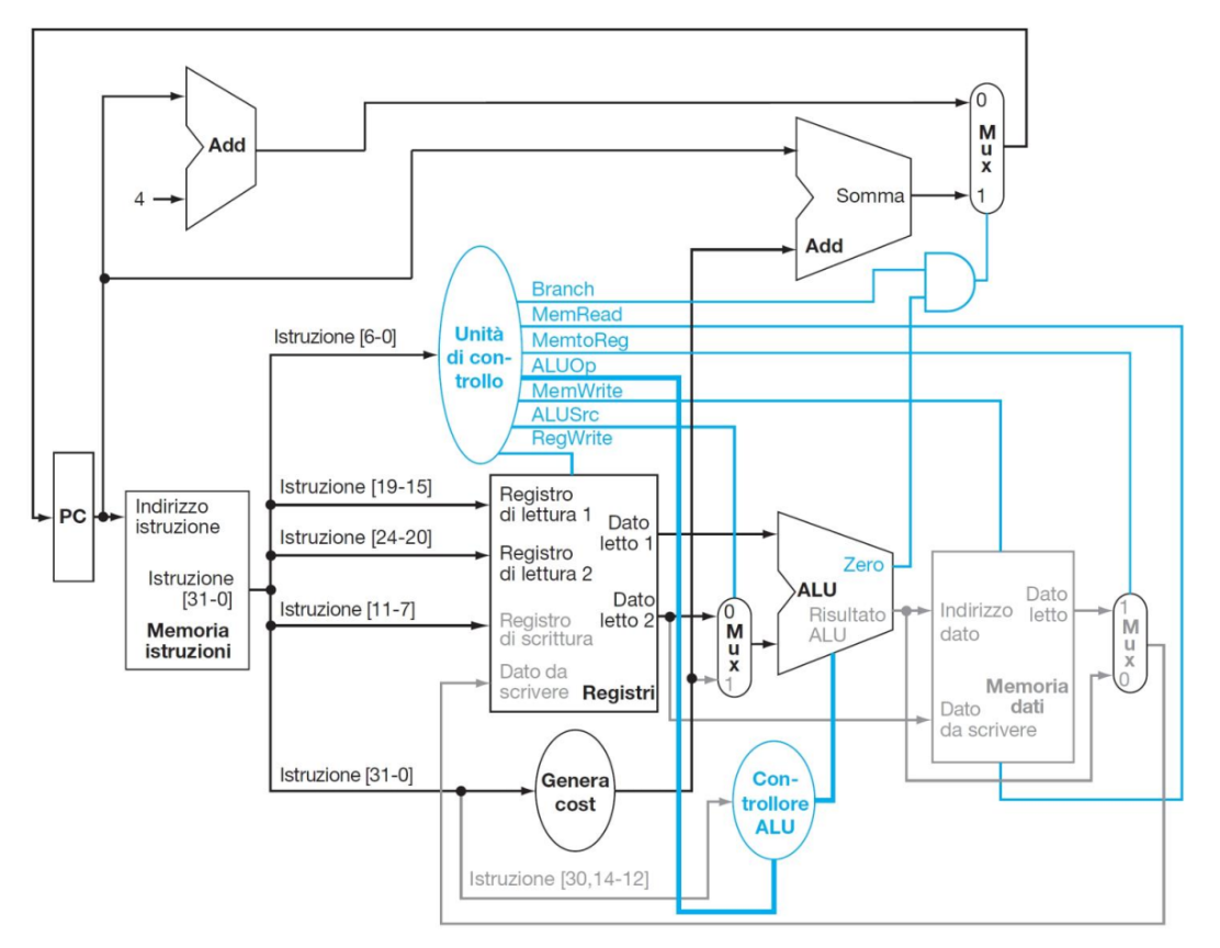
In un datapath RISC-V a singolo ciclo, i componenti principali riflettono l’architettura load/store del RISC-V e supportano l’esecuzione delle istruzioni in modo semplice ed efficiente.
COMPONENTI DEL DATAPATH
Instruction Memory
Contiene il programma (cioè tutte le istruzioni RISC-V). Ogni ciclo, viene letta l’istruzione corrente usando l’indirizzo contenuto nel Program Counter (PC).
Ingressi:
Address (32 bit): È il valore del Program Counter (PC), indica quale istruzione recuperare dalla memoria.
Uscite:
Instruction (32 bit): L’istruzione a 32 bit letta dalla memoria all’indirizzo PC (va al blocco di decodifica).
Program Counter (PC)
Tiene traccia dell’indirizzo della prossima istruzione da eseguire. Viene aggiornato a ogni ciclo (PC + 4 o salto/branch).
Register File
32 registri (x0–x31) da 32 bit ciascuno.
Ogni registro è indirizzabile con 5 bit (infatti 2⁵ = 32).
(guarda il formato delle istruzioni)
Ingressi:
rs1 (5 bit) → registro da leggere 1
rs2 (5 bit) → registro da leggere 2
WriteData (32 bit) → valore da scrivere in rd
Segnali di controllo:
RegWrite: (controllo fase di write back)
- 1 → abilita la scrittura nel registro
rd - 0 → disabilita la scrittura (registro rimane invariato)
(Se RegWrite = 1, al prossimo fronte di clock, il contenuto di WriteData viene scritto nel registro rd).
Uscite:
rd (5 bit) → registro dove scrivere
ReadData1 (32 bit) → contenuto di rs1
ReadData2 (32 bit) → contenuto di rs2
ALU
(ALU) Esegue operazioni aritmetiche e logiche (es: somma, AND, OR, confronto) e calcola indirizzi (base + offset). L’operazione da eseguire viene determinata dal segnale di controllo ALUControl.
Ingressi:
Operand A (32 bit) ← tipicamente da ReadData1 (registro rs1)
Operand B (32 bit) ← da ReadData2 (registro rs2) oppure da Immediate (in base al valore del segnale ALUSrc).
Segnali di controllo:
ALUControl (4 bit) ← indica quale operazione eseguire (es. 0010 per add)
Uscite:
ALUResult (32 bit): il risultato dell’operazione
Zero (1 bit):
- Vale 1 se
ALUResult == 0 - Serve per il branch (
beq,bne, ecc.) ES: Istruzione:beq x1, x2, labelL’ALU esegue:x1 - x2SeZero == 1→ significax1 == x2→ il branch è preso
ALU Control
Determina quale operazione l’ALU deve eseguire, in base al tipo di istruzione.
l’ALU Control riceve dalla Control Unit un segnale chiamato ALUOp, che può essere codificato con 2 bit (ALUOp1 e ALUOp0) per distinguere i tipi di istruzioni.
Poi, in base a ALUOp e — solo se serve — ai campi funct3 e funct7 dell’istruzione, decide quale operazione l’ALU deve eseguire.
ALUOp | Significato | Azione dell’ALU Control |
|---|---|---|
00 | lw, sw | Forza l’operazione di somma (che calcola l’indirizzo in memoria) |
01 | beq | Forza l’operazione di sottrazione (x1 - x2 per vedere quindi se x1 == x2) |
10 | R-type (add, sub, ecc.) | Analizza funct3 e funct7 per decidere quale operazione eseguire |
11 | (eventuale uso per I-type o estensioni) | (opzionale: si può usare per addi, ori, ecc.) |
ALUOp = 10è l’unico caso in cui l’ALU Control deve decodificare i campi dell’istruzione (funct3 e funct7).
Sign Extension Unit/Immediate Generator
(blocco “Genera cost” nello schema sotto)
Esegue due operazioni:
Estrae e segna l’immediato dall’istruzione (I-type, S-type, B-type…). L’immediato è usato come operando nell’ALU o per i salti.
Estende un numero intero relativo rappresentato in Complemento a 2 (CA2) da un numero di bit minore (es. 12 o 16 bit) a 32 bit, preservando il segno:
Se l’MSB dell’immediato è 0 → numero positivo
→ si aggiungono zeri in testa
Se l’MSB dell’immediato è 1 → numero negativo
→ si aggiungono uni in testa
Ingressi:
Immediate(es. 12 o 16 bit): valore immediato dell’istruzione, in complemento a 2
Uscite:
ExtendedImmediate(32 bit): versione a 32 bit dell’immediato, con estensione di segno
Esempio:
Immediato a 16 bit (IN): 1111 1111 1111 1000
→ MSB = 1 → estensione del segno (OUT): 1111 1111 1111 1111 1111 1111 1111 1000
(risultato a 32 bit, valore = –8)
Control Unit
Decodifica il tipo di istruzione (R, I, S, B, U, J) e genera i segnali di controllo.
Ecco la tabella dei segnali di controllo generati dalla Control Unit (CU) per i principali tipi di istruzioni RISC-V (R-type, lw, sw, beq).
| Istruzione | RegWrite | ALUSrc | MemToReg | MemRead | MemWrite | Branch | ALUOp1 | ALUOp0 |
|---|---|---|---|---|---|---|---|---|
| R-type | 1 | 0 | 0 | 0 | 0 | 0 | 1 | 0 |
lw | 1 | 1 | 1 | 1 | 0 | 0 | 0 | 0 |
sw | 0 | 1 | X | 0 | 1 | 0 | 0 | 0 |
beq | 0 | 0 | X | 0 | 0 | 1 | 0 | 1 |
Legenda: -
0: Segnale disattivato. -1: Segnale attivato. -X: Don’t care (non rilevante per l’istruzione).
- ALUSrc: Seleziona la seconda sorgente dell’ALU.
0perReadData2(registro),1per l’immediato esteso. - MemtoReg: Seleziona il dato da scrivere nel registro.
0per il risultato dell’ALU,1per il dato letto dalla memoria. - RegWrite: Abilita la scrittura nel registro di destinazione (
rd). - MemRead: Abilita la lettura dalla memoria dati.
- MemWrite: Abilita la scrittura nella memoria dati.
- Branch: Indica se l’istruzione è un branch (
beq). - ALUOp1 e ALUOp0: Determinano l’operazione dell’ALU. Questi segnali vengono ulteriormente decodificati dall’ALU Control per selezionare l’operazione specifica.
Data Memory
Utilizzata per caricare (lw) o scrivere (sw) dati dalla/alla memoria.
Accesso controllato dai segnali MemRead e MemWrite.
Ingressi:
Address(32 bit): Indirizzo di memoria (calcolato dall’ALU)
WriteData (32 bit): Dato da scrivere nella RAM (viene da un registro, rs2)
Segnali di controllo:
MemRead (1 bit): Se 1, abilita la lettura dalla memoria (controllo fase di memory)
MemWrite (1 bit): Se 1, abilita la scrittura nella memoria (controllo fase di memory)
Uscite:
ReadData (32 bit): Dato letto dalla memoria (valido se MemRead=1)
Multiplexer (MUX)
Usati per selezionare tra due fonti alternative. Esempi:
1. MUX controllato da ALUSrc
Serve a scegliere il secondo operando dell’ALU
Segnale: ALUSrc
- Se
0→ si usaReadData2(contenuto del registrors2) - Se
1→ si usa l’immediato esteso
Esempio:
add → usa rs1 e rs2 → ALUSrc = 0
addi, lw, sw → usano rs1 + immediato → ALUSrc = 1
2. MUX controllato da MemtoReg
Serve a scegliere cosa scrivere nel registro rd
Segnale: MemtoReg
- Se
0→ si scrive il risultato dell’ALU - Se
1→ si scrive il valore letto dalla memoria (ReadData)
Esempio:
add, sub, slt, addi, ecc. → MemtoReg = 0
lw → MemtoReg = 1
3. MUX controllato da PCSrc
Serve per decidere quale valore mandare al PC nel ciclo successivo
Segnale: PCSrc
- Se
0→ niente salto →PC + 4 - Se
1→ salto (beqvero :Zero= 1) →PC + offset
Adders
Un sommatore è usato per incrementare PC (tipicamente PC + 4).
Un altro può calcolare l’indirizzo del branch (PC + immediate).
1. Adder per PC + 4
Calcola l’indirizzo della prossima istruzione (sequenziale)
Ingressi:
PC (valore corrente)
Costante 4
Uscita:
PC + 4, che viene:
- mandato direttamente al MUX per il nuovo PC
- e/o usato anche per salti incondizionati (
jal)
2. Adder per salti condizionati/incondizionati
Calcola l’indirizzo di destinazione del salto (PC + offset)
Ingressi:
PC (valore corrente)
Immediato esteso (sign-extended + shiftato a sinistra di 1, ovvero moltiplicato x2)
Uscita:
PC + offset, usato come:
- possibile nuovo valore del PC
- collegato a un MUX controllato da
PCSrc
Shift sinistro di 1 (×2)
Per i salti (come beq, jal, ecc.), l’immediato è shiftato a sinistra di 1 bit, cioè moltiplicato per 2. Questo avviene prima di sommare l’offset al PC.
Implicito nello schema sotto: si trova tra l’uscita di
Genera coste l’ingresso del secondoadder, in alto a destra.
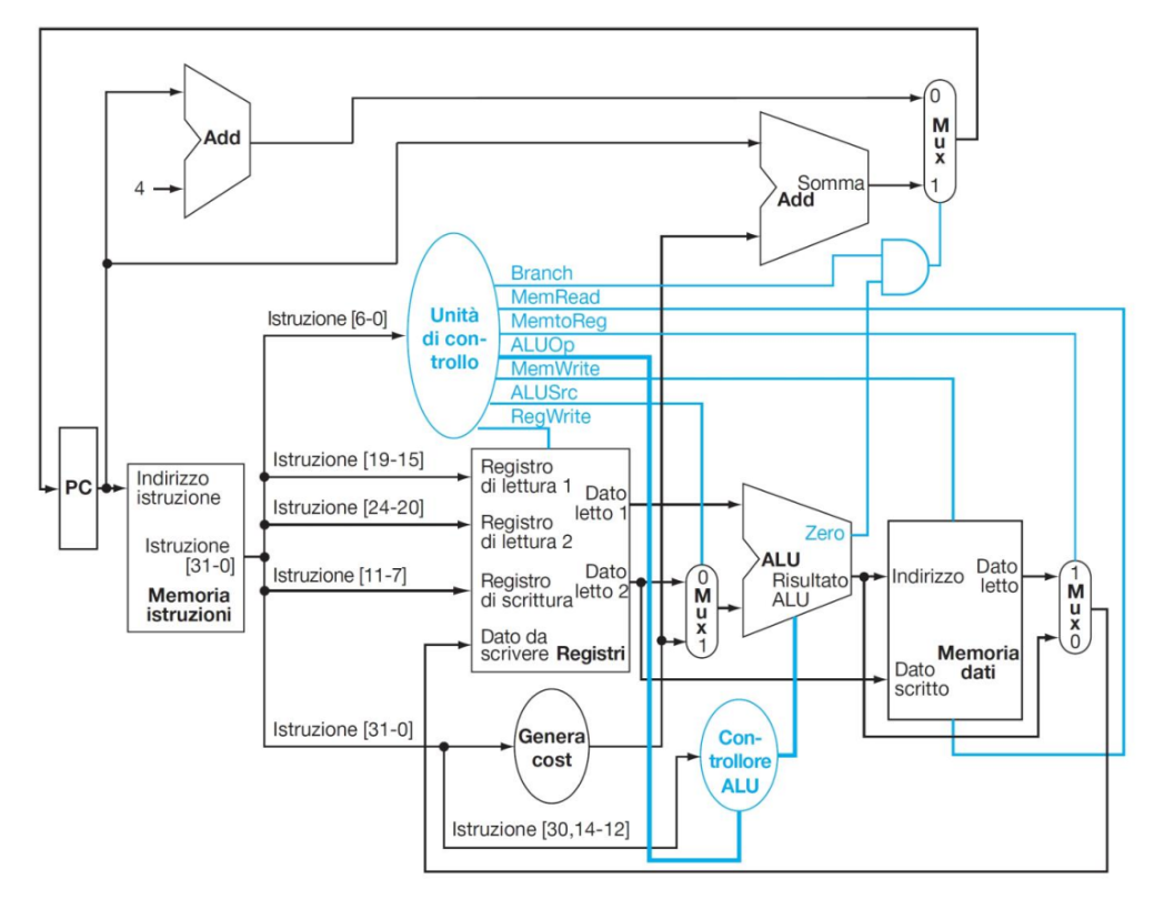
DATAPAH COMPLETO (SENZA IMPLEMENTAZIONI)

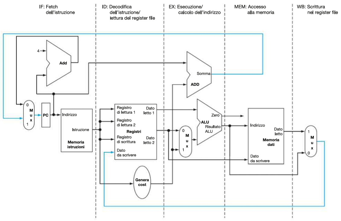
SUDDIVISIONE DEL DATAPATH

Ogni parte del datapath è adibita ad una specifica fase.
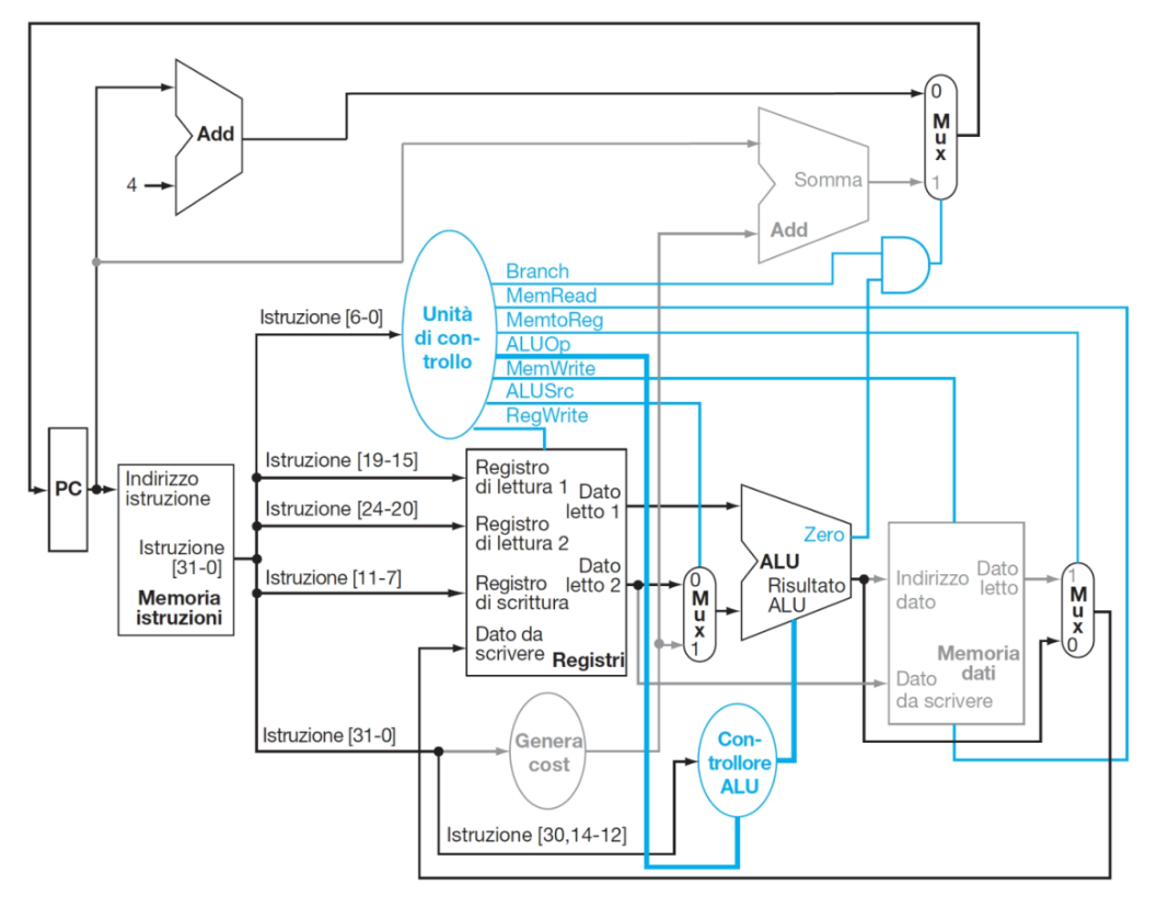
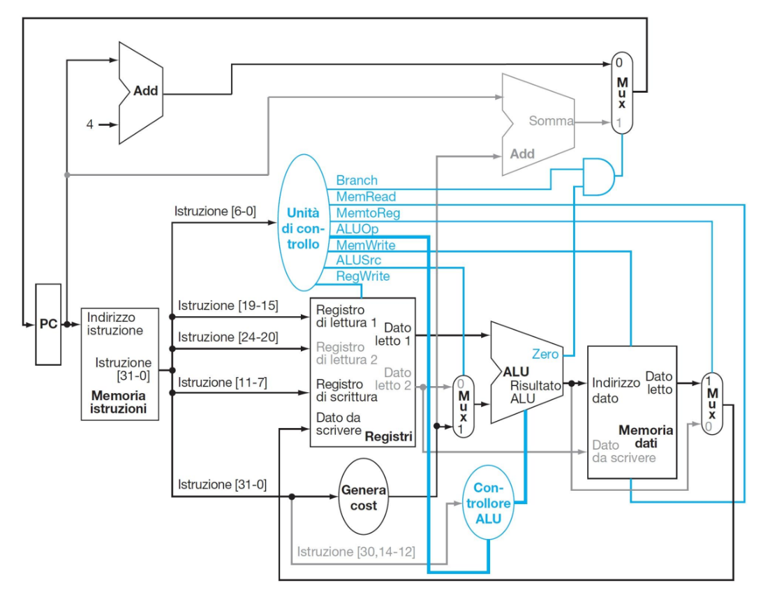
ESEMPI DI ESECUZIONE
Esecuzione di un’istruzione R

Esecuzione di lw

Esecuzione di beq

ESEMPI DI IMPLEMENTAZIONI
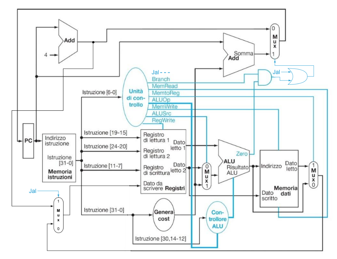
Implementazione di jal
